1999 Mercury Cougar Wiring Diagram

Vt Commodore Ignition Wiring Diagram, Complete Wiring Diagrams For Holden Commodore VT, VX, VY, VZ, VE, VF, 5.36 MB, 03:54, 32,796, John Amahle, 2018-08-01T19:37:41.000000Z, 19, Vt Commodore Ignition Wiring Diagram, to-ja-to-ty-to-my-to-nasz-swiat.blogspot.com, 1272 x 1800, jpeg, bcm pcm 12j swiat nasz, 20, vt-commodore-ignition-wiring-diagram, Anime Arts
[diagram] 2001 mercury cougar stereo wiring diagram full version hd. Fuel pump wiring diagram for 2000 ford pick up. Mustang wiring diagram fuel gauge ford 1990 tech pump wire engine. 1999 mercury cougar car stereo wiring diagram car radio battery constant 12v+ wire:
Yellow/green car radio ground wire:. 1999 mercury cougar wiring diagram manual original the 1967 cougar was mercury's attempt to enter the pony car market segment popularized by the april 1964. 12mb downloadable pdf file of the complete 1969 mercury cougar electrical wiring diagram. Our 1999 mercury cougar radio wiring guide shows you how to connect car radio wires and helps you when your car radio wires not working. It also shows you the car radio wire to battery,. Favorite novels like this 1999 mercury cougar wiring diagram manual original, but end up in harmful downloads. Rather than enjoying a good book with a cup of tea in the. [diagram] 1999 mercury cougar wiring diagram original full version hd bpmndiagrams. gtve. it. Posted by anonymous on sep 30, 2011.
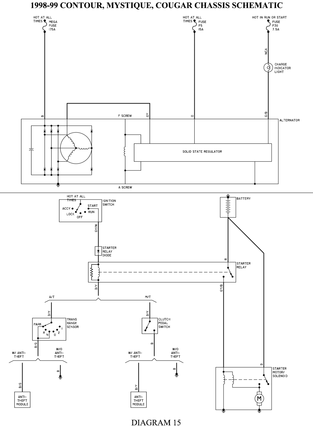
1999 Mercury Cougar Starter Wiring | schematic and wiring diagram

1999 Mercury Cougar power window will not go up. If I take the motor out of the door I can

[DIAGRAM] 1999 Mercury Cougar Wiring Diagram Original FULL Version HD Quality Diagram Original
![1999 Mercury Cougar Wiring Diagram [DIAGRAM] 1999 Mercury Cougar Wiring Diagram Original FULL Version HD Quality Diagram Original](https://static-resources.imageservice.cloud/4107235/2000-mercury-cougar-radio-wiring-hp-mercury-outboard-wiring-diagram.jpg)
1999 Mercury Cougar Starter Not Engaging: I Just Completed

1999 Mercury Cougar Starter Wiring | schematic and wiring diagram
1999 Mercury Cougar Starter Wiring | schematic and wiring diagram
I own a 1999 mercury cougar 2.5L V6. The system isnt charging. The alternator is good, brand new

99 COUGAR 2.5 L. No speedo, vss code. Replaced vss. Same problem. Checked sensor wiring for

1999 Mercury Cougar power window will not go up. If I take the motor out of the door I can

99 COUGAR 2.5 L. No speedo, vss code. Replaced vss. Same problem. Checked sensor wiring for
